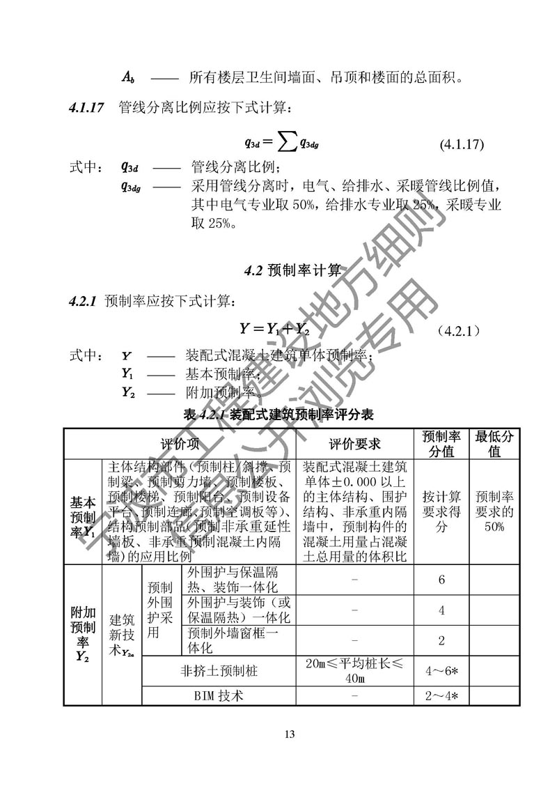
為持續推動寧波市建筑產業的現代化進程,提升寧波市建筑工業化水平,實現資源、能源的可持續發展,經廣泛調研,在認真總結《寧波市裝配式建筑預制率計算細則(試行)》實施情況和實踐經驗基礎上,組織修訂編制了《寧波市裝配式建筑裝配率與預制率計算細則》,已通過專家評審驗收,現予以批準發布,編號為2018甬 DX-15,自2019年2月1日起執行。
相關文本可在寧波市綠色建筑與建筑節能網(http://www.nbjzjn.com/plugins/b_ckeditor/net/upload/file/20190108/1129582187.pdf)下載。原《寧波市裝配式建筑預制率計算細則(試行)》(甬建發〔2017〕186號)同時廢止。
寧波市住房和城鄉建設委員會
2018年12月29日









































錦蕭新材料科技(浙江)股份有限公司
高新技術企業
浙公網安備 33042402000443號